MS3124G

Inches |
mm |
.007 |
0.18 |
.010 |
0.25 |
.020 |
0.51 |
.031 |
0.79 |
.070 |
1.78 |
.156 |
3.96 |
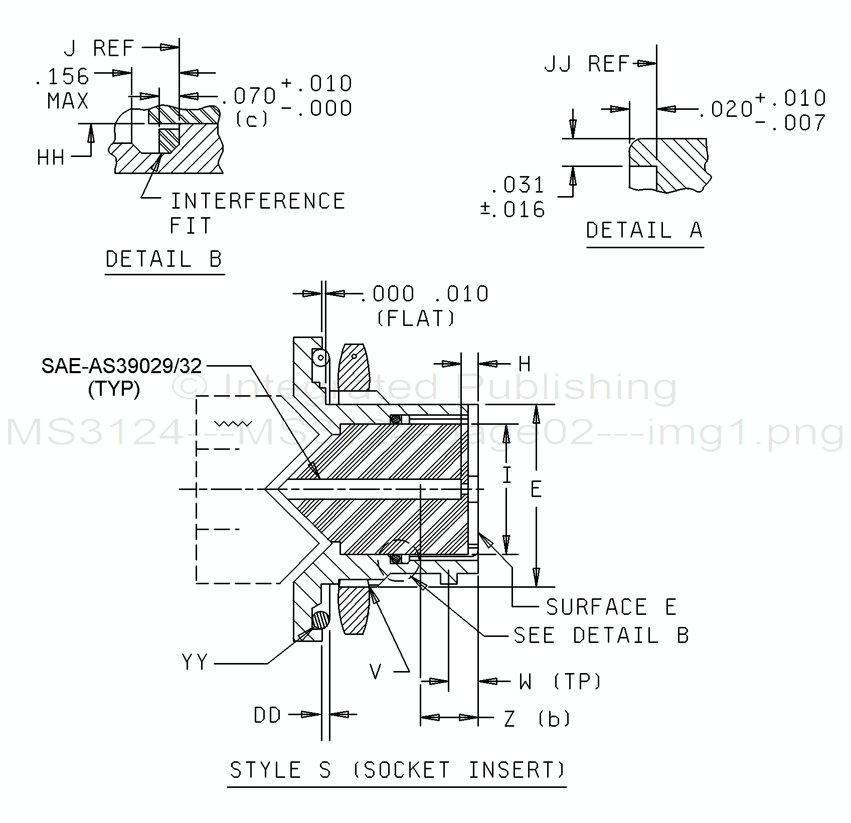
FIGURE 1. Receptacle, dimensions, classes E, F, and P - Continued.
2
For Parts Inquires submit RFQ to Parts Hangar, Inc.
© Copyright 2015 Integrated Publishing, Inc.
A Service Disabled Veteran Owned Small Business