INCH-POUND
MS3127L
07 November 2007
SUPERSEDING MS3127K
6 June 2003
DETAIL SPECIFICATION SHEET
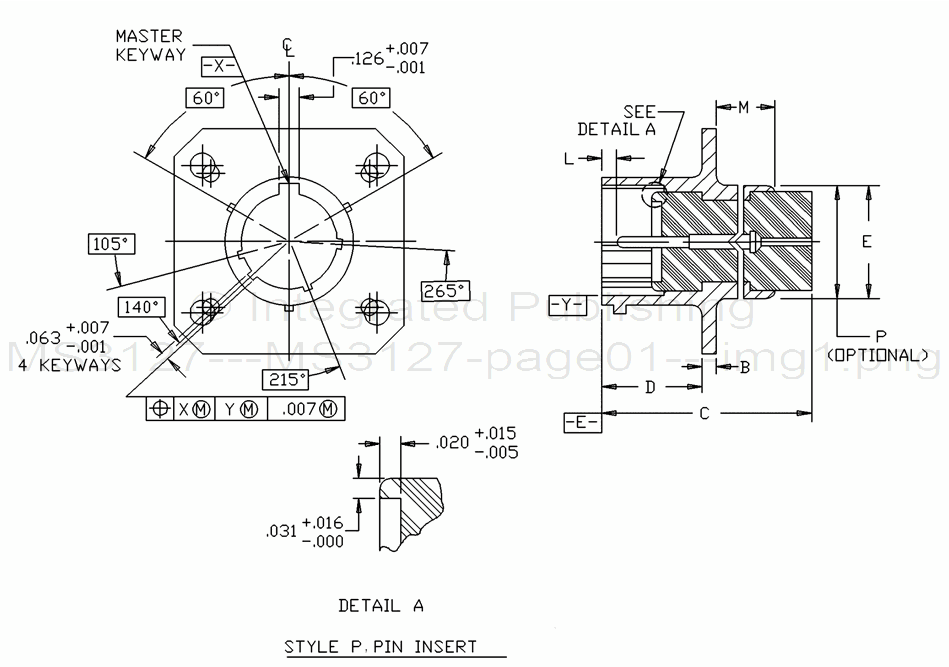
CONNECTORS, RECEPTACLE, ELECTRICAL, SERIES 1, CRIMP TYPE, BOX MOUNTING, FLANGE, NO. 4/6 HOLES, BAYONET COUPLING
Inactive for new design as of 5 September 1975. For new design, use MS3474.
This specification is approved for use by all Departments and Agencies of the Department of Defense.
The requirements for acquiring the product described herein shall consist of this specification sheet and
MIL-DTL-26482

FIGURE 1. Dimensions and configurations.
AMSC N/A FSC 5935
For Parts Inquires submit RFQ to Parts Hangar, Inc.
© Copyright 2015 Integrated Publishing, Inc.
A Service Disabled Veteran Owned Small Business