MS3128K

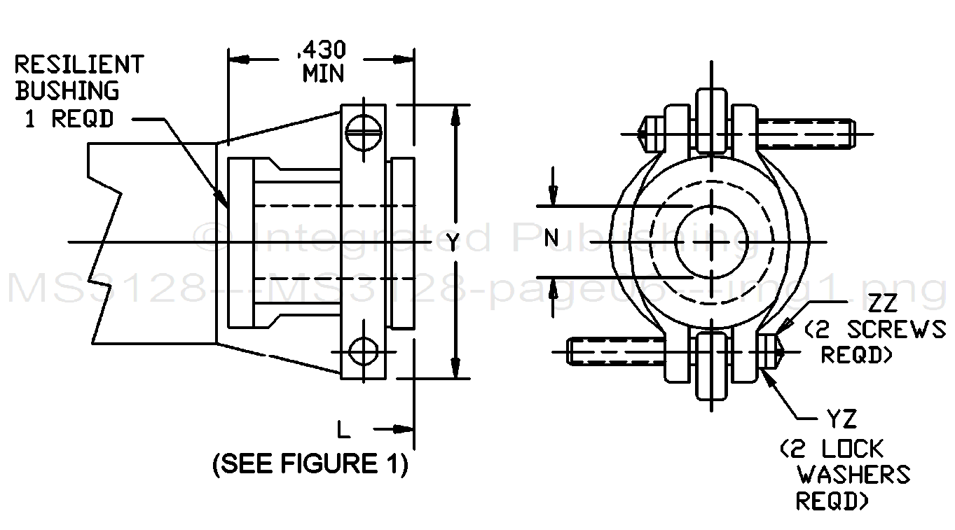
CLASS F, BUSHING INSTALLED

CLASS F, BUSHING REMOVED
FIGURE 1. Receptacle, dimensions, classes E, F and P - Continued.
6
For Parts Inquires submit RFQ to Parts Hangar, Inc.
© Copyright 2015 Integrated Publishing, Inc.
A Service Disabled Veteran Owned Small Business