INCH-POUND MS33678A
9 July 2004
SUPERSEDING MS33678
17 December 1958
DETAIL SPECIFICATION SHEET
CONNECTOR, RECEPTACLE, ELECTRICAL, INTEGRAL MOUNTING This specification is approved for use by all Departments
and Agencies of the Department of Defense.
The requirements for acquiring the product described herein shall consist of this specification sheet.
This is a design standard not to be used as an MS part number.

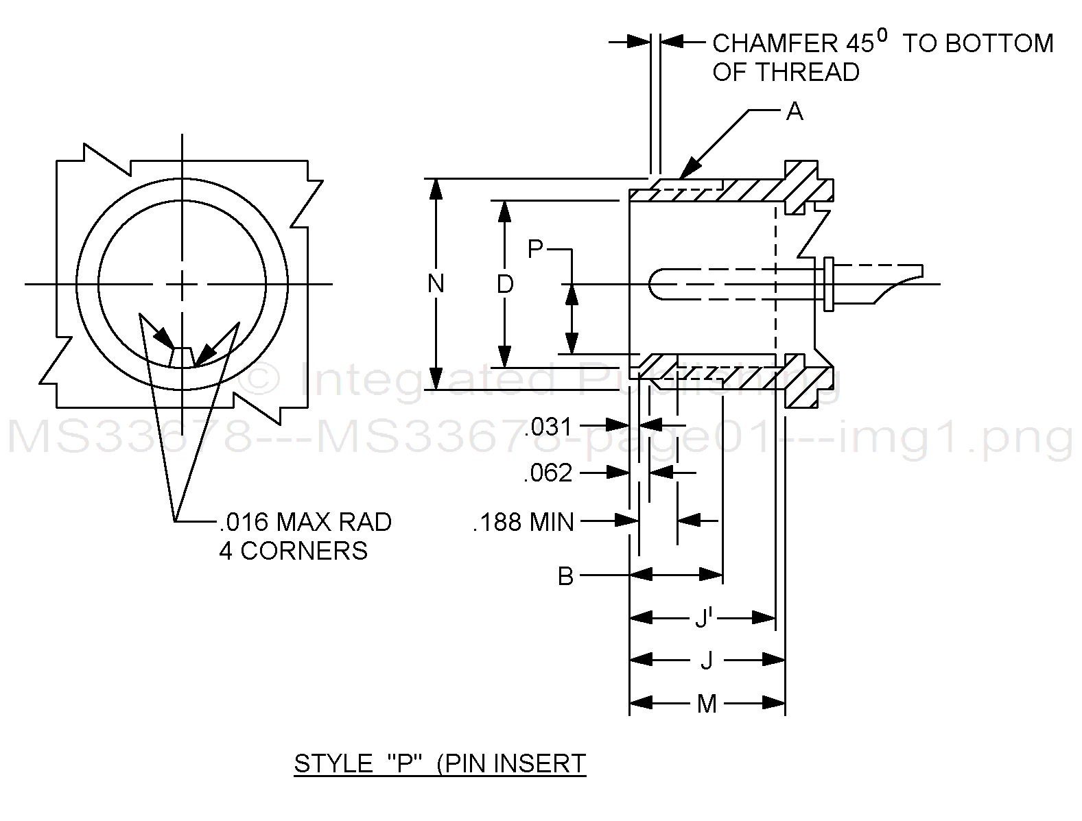
FIGURE 1. Dimensions and configurations.
AMSC N/A FSC 5935
For Parts Inquires submit RFQ to Parts Hangar, Inc.
© Copyright 2015 Integrated Publishing, Inc.
A Service Disabled Veteran Owned Small Business