INCH-POUND
MS3471E
1 March 2007
SUPERSEDING MS3471D
12 July 1985
DETAIL SPECIFICATION SHEET
CONNECTORS, RECEPTACLE, ELECTRICAL, SERIES II, CRIMP TYPE, CABLE CONNECTING, BAYONET COUPLING, CLASSES A, L and W
Reactivated after 1 March 2007 and may be used for new and existing designs and acquisitions.
This specification is approved for use by all Departments and
Agencies of the Department of Defense.
The requirements for acquiring the product described herein shall consist of this specification sheet and MIL-DTL-26482.

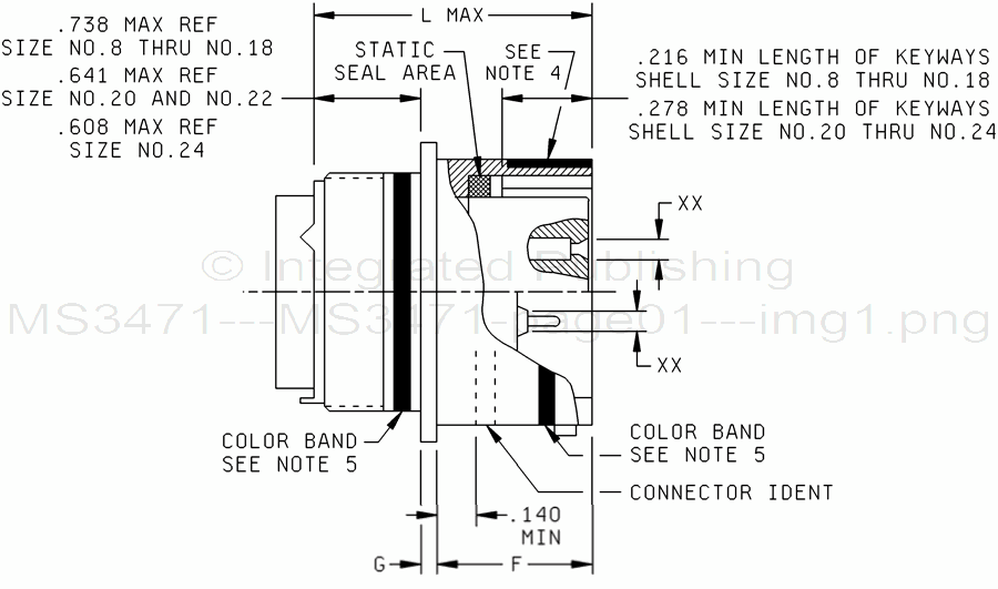
NOTE: For "XX", see note 6 and table I for contact cavities requiring reduced dimensions.
FIGURE 1. Receptacle, classes A, L and W, dimensions and configurations.
AMSC N/A FSC 5935
For Parts Inquires submit RFQ to Parts Hangar, Inc.
© Copyright 2015 Integrated Publishing, Inc.
A Service Disabled Veteran Owned Small Business