INCH-POUND
MS3477B
1 March 2007
SUPERSEDING MS3477A
05 September 1975
DETAIL SPECIFICATION SHEET
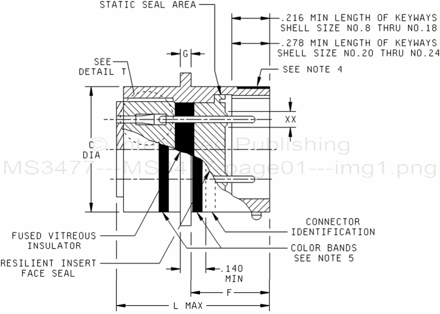
CONNECTORS, RECEPTACLE, ELECTRICAL, SERIES II, HERMETIC, SOLDERLESS, BOX MOUNTING, BAYONET COUPLING, CLASS N
Reactivated after 1 March 2007 and may be used for new and existing designs and acquisitions.
This specification is approved for use by all Departments and
Agencies of the Department of Defense.
The requirements for acquiring the product described herein shall consist of this specification sheet and MIL-DTL-26482.

NOTE: For "XX", see note 6 and table I for contact cavities requiring reduced dimensions.
FIGURE 1. Receptacle, class N, dimensions and configurations.
AMSC N/A FSC 5935
For Parts Inquires submit RFQ to Parts Hangar, Inc.
© Copyright 2015 Integrated Publishing, Inc.
A Service Disabled Veteran Owned Small Business