MS90557J

ACCESSORY INTERFACE DIMENSIONS
FIGURE 1. Dimensions and configuration - Continued.
3
For Parts Inquires submit RFQ to Parts Hangar, Inc.
© Copyright 2015 Integrated Publishing, Inc.
A Service Disabled Veteran Owned Small Business
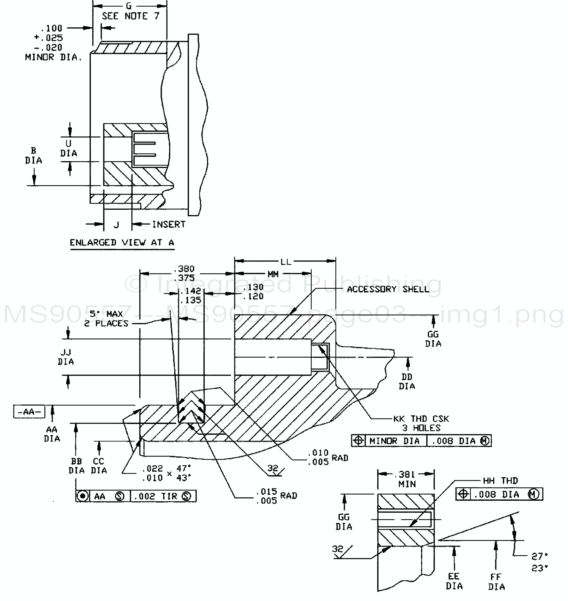
MS90557J

ACCESSORY INTERFACE DIMENSIONS
FIGURE 1. Dimensions and configuration - Continued.
3