MS90565J

Quantity |
Contact |
Size |
Socket SAE-AS39029/49 M39029- |
Pin SAE-AS39029/48 M39029- |
3 |
A, B, C |
4 |
331 |
320 |
1 |
N |
4N |
331 (see note 6) |
321 |
1 |
G |
6N |
329 (see note 6) |
318 |
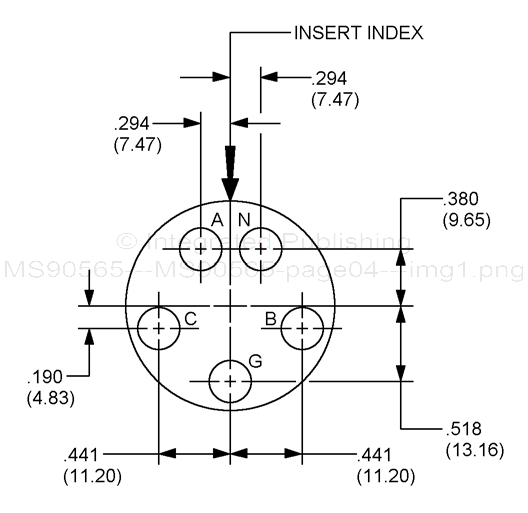
NOTES:
1. Dimensions are in inches. Metric equivalents are given for information only. Unless otherwise specified, tolerance is ± .002 (.05 mm).
2. Unless otherwise specified, front face of pin insert pattern is shown. Socket inserts are the reverse.
3. -12-Cable IPCEA 43-NO 6 conductor round, type G.
4. -13-Cable-C0-04-HDF (4/4-4/12R) 1290 in accordance with MIL-DTL-3432.
5. Mark 32-12 on 32-13 insert. Trademark and 32-( ) shall appear in available space. Contact identifying letter shall be located so as to identify relative contact.
6. Only the pin contact is lengthened and has the N (neutral) designation. The mating socket contact is the same as the power contact.
FIGURE 4. 28 volt AC three phase four wire grounding, -12 and -13 insert arrangements, service D.
4
For Parts Inquires submit RFQ to Parts Hangar, Inc.
© Copyright 2015 Integrated Publishing, Inc.
A Service Disabled Veteran Owned Small Business