
INCH-POUND
W-C-596/108C
20 January 2012
SUPERSEDING
W-C-596/108B
8 August 2001
FEDERAL SPECIFICATION SHEET
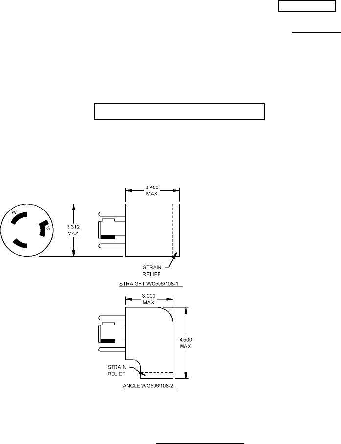
CONNECTOR, PLUG, ELECTRICAL, SPECIAL PURPOSE, GROUNDING, LOCKING,
2 POLE, 3 WIRE, 20 AMPERES, 277 VOLTS, 50/60 HERTZ
Inactive for new design after 20 January 2012.
This specification is approved for use by all
Departments and Agencies of the Department of Defense.
The requirements for acquiring the product described herein shall consist of this
specification sheet and W-C-596.
Inches
mm
3.000
76.20
3.400
86.36
3.312
84.12
4.500
114.30
NOTES:
1. Dimensions are in inches.
2. Metric equivalents are given for information only.
3. Undimensioned pictorials are for reference purposes only.
FIGURE 1. Configuration and dimensions.
AMSC N/A
FSC 5935
For Parts Inquires submit RFQ to Parts Hangar, Inc.
© Copyright 2015 Integrated Publishing, Inc.
A Service Disabled Veteran Owned Small Business