FEDERAL SPECIFICATION SHEET
W-C-596/142D
20 January 2012
SUPERSEDING W-C-596/142C
7 December 2001
CONNECTOR, RECEPTACLE, ELECTRICAL, MALE INLET, GENERAL PURPOSE, GROUNDING, 2 POLE, 3 WIRE, 20 AMPERES, 125 VOLTS, 50/60 HERTZ
This specification is approved for use by all
Departments and Agencies of the Department of Defense.
The requirements for acquiring the product described herein shall consist of this specification sheet and W-C-596.

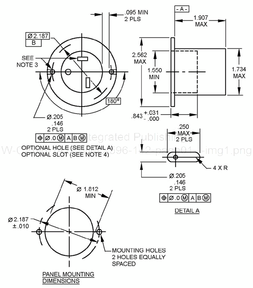
NOTES:
1. Dimensions are in inches.
2. Metric equivalents are given for information only.
3. Angular relation of mounting holes to contact location may be other than as shown.
4. See optional two slot mounting configuration of W-C-596.
5. Undimensioned pictorials are for reference purposes only.
FIGURE 1. Configuration and dimensions.
AMSC N/A FSC 5935
For Parts Inquires submit RFQ to Parts Hangar, Inc.
© Copyright 2015 Integrated Publishing, Inc.
A Service Disabled Veteran Owned Small Business