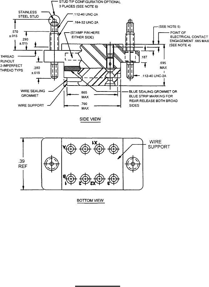
MIL-DTL-12883-45 Sockets, Plug-In Electronic Components, For Relays, For 2-Pole, 5 Amperes \(Mil-Prf-6106 And Mil-Prf-83536\)