
INCH-POUND
MIL-DTL-21097/3F
18 August 2005
SUPERSEDING
MIL-C-21097/3E
29 March 1976
DETAIL SPECIFICATION SHEET
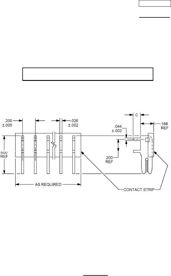
CONNECTORS, ELECTRICAL, PRINTED WIRING BOARD
COMPOSITE, ADAPTER, CONTACT SPACING (.200)
INDIVIDUAL CONTACTS, TYPE CS
Inactive for new design after 29 March 1976. For new design,
use MIL-DTL-21097/5.
This specification is approved for use by all Departments and Agencies of the Department of Defense.
The requirements for acquiring the product described herein shall consist of this specification sheet and
MIL-DTL-21097.
Inches
mm
.002
.05
.005
.13
.026
.66
.044
1.12
.188
4.78
.200
5.08
.600
15.24
NOTES:
1. Dimensions are in inches.
2. Unless otherwise specified, tolerance is ± .010 (.25 mm) for three place decimals.
3. Metric equivalents are given for information only.
FIGURE 1. Contact strip.
AMSC N/A
FSC 5935
For Parts Inquires submit RFQ to Parts Hangar, Inc.
© Copyright 2015 Integrated Publishing, Inc.
A Service Disabled Veteran Owned Small Business