
MIL-DTL-21097/3F
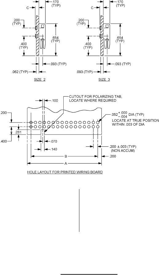
Inches
mm
Inches
mm
.003
.08
.140
3.56
.004
.10
.170
4.32
.052
1.32
.200
5.08
.062
1.57
.281
7.14
.070
1.78
.400
10.16
.093
2.36
.654
16.61
.100
2.54
NOTES:
1. Dimensions are in inches.
2. Unless otherwise specified, tolerance is ± .010 (.25 mm) for three place decimals.
3. Metric equivalents are given for information only.
FIGURE 2. Application information only.
2
For Parts Inquires submit RFQ to Parts Hangar, Inc.
© Copyright 2015 Integrated Publishing, Inc.
A Service Disabled Veteran Owned Small Business