
INCH-POUND
MIL-DTL-21097/5G
23 June 2008
SUPERSEDING
MIL-DTL-21097/5F
18 August 2005
DETAIL SPECIFICATION SHEET
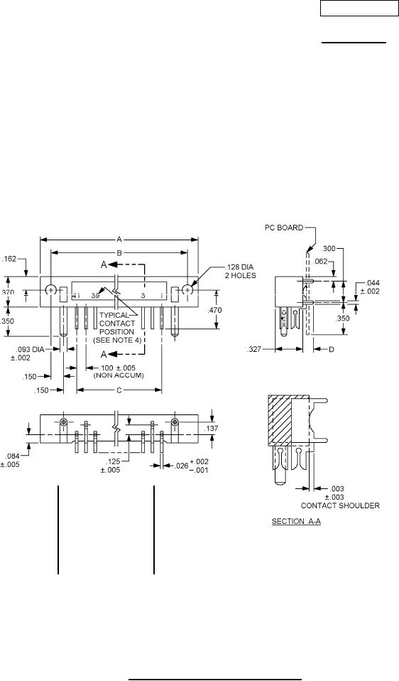
CONNECTORS, ELECTRICAL, PRINTED WIRING BOARD
MALE ADAPTER, CONTACT SPACING (.200) ALTERNATE
DUAL ROW, TYPE CS
This specification is approved for use by all Departments and Agencies of the Department of Defense.
The requirements for acquiring the product described herein shall consist of this specification sheet and
MIL-DTL-21097.
Inches
mm
Inches
mm
Inches
mm
.001
.03
.084
2.13
.162
4.11
.002
.05
.093
2.36
.300
7.62
.003
.08
.100
2.54
.327
8.31
.005
.13
.125
3.18
.350
8.89
.026
.66
.128
3.25
.370
9.40
.044
1.12
.137
3.48
.470
11.94
.062
1.57
.150
3.81
NOTES:
1. Dimensions are in inches.
2. Unless otherwise specified, tolerance is ± .010 (.25 mm) for three place decimals.
3. Metric equivalents are given for information only.
4. Contacts shall be designated on the connector using numerals in the location shown.
FIGURE 1. Alternate dual row contacts, type CS.
AMSC N/A
FSC 5935
For Parts Inquires submit RFQ to Parts Hangar, Inc.
© Copyright 2015 Integrated Publishing, Inc.
A Service Disabled Veteran Owned Small Business