
MIL-DTL-21097/5G
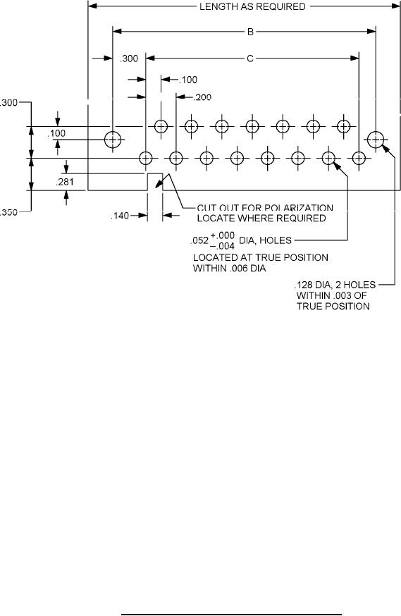
Inches
mm
.003
.08
.004
.10
.006
.15
.052
1.32
.100
2.54
.128
3.25
.140
3.56
.200
5.08
.281
7.14
.300
7.62
.350
8.89
NOTES:
1. Dimensions are in inches.
2. Unless otherwise specified, tolerance is ± .010 (.25 mm) for three place decimals.
3. Metric equivalents are given for information only.
FIGURE 2. Printed circuit board mounting and hole pattern.
2
For Parts Inquires submit RFQ to Parts Hangar, Inc.
© Copyright 2015 Integrated Publishing, Inc.
A Service Disabled Veteran Owned Small Business