
MIL-DTL-24231/13E(SH)
1
8
3
3
UNDERCUT TO
1
8
32
8
ROOT OF THREAD
15°
+0.002
1
Ø1.625 -0.002
22
2-12UN-2B
45°
32
0.500
0.406
0.156
111
6
ALL OVER EXCEPT
125
AS SHOWN
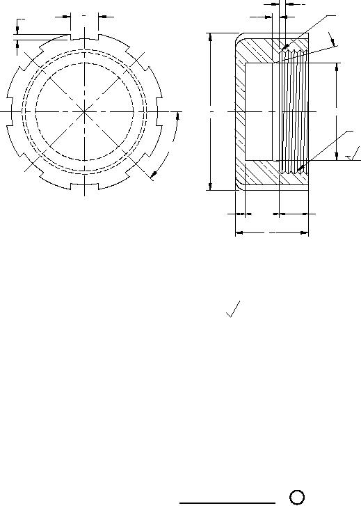
FIGURE 3. Cap M24231/13-011.
15
4
For Parts Inquires submit RFQ to Parts Hangar, Inc.
© Copyright 2015 Integrated Publishing, Inc.
A Service Disabled Veteran Owned Small Business