
MIL-DTL-24231/17E(SH)
POLARIZING GROOVE
0.052R
125 ALL OVER EXCEPT
0.050
AS SHOWN
C
L
C
L
Ø1.617
1.613
Ø1.405
1.401
Ø1.204
32
1
0.062
3
0.781
8
16
30°
32
0.500
0.064
0.025+0.002
0.0
29
- 02
32
0.437
Ø1.204
30°
7
32
1
8
UNDERCUT TO
Ø1.297
ROOT OF THD
4.848
5.750
BODY
4.843
1.189
Ø1.185
5.745
PIN, DRIV-LOK,
9
TYPE A3, CRES 416,
Ø11 X 3 LONG
6
8
M24231/17-011
3
Ø0.120+0.005 0.187 DEEP 2 HOLES
0.000
16
2-12UN-2A
-
(BOTH ENDS)
DO NOT PENETRATE
32
Ø0.937
0.719
1
32R
Ø1.204
DIMENSIONS NOT SHOWN ON
30°
THIS END ARE THE SAME AS
OPPOSITE END.
Ø2.250
2.240
C
L
0.052R, POLARIZING GROOVE
0.0645 REAM
0.050
0.0625
0.532
0.530
C
L
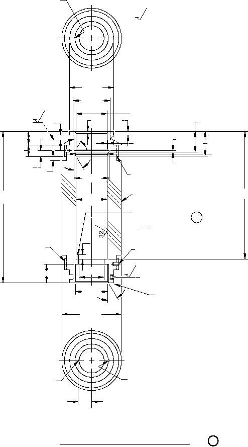
FIGURE 2. Assembly, adapter body M24231/17-010.
2
3
For Parts Inquires submit RFQ to Parts Hangar, Inc.
© Copyright 2015 Integrated Publishing, Inc.
A Service Disabled Veteran Owned Small Business