
MIL-DTL-24231/30A(SH)
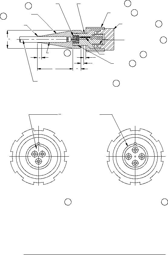
PLUG BODY ASSEMBLY 3
COMPOUND,
11
EPOXY
COUPLING 6
COMPOUND,
10
POLYURETHANE
PROTECTIVE CAP 8
0.060R
1
Ø12
GUIDEKEY SLEEVE 5
PRIMER 17
SOCKET CONTACT 7
3
3
16
8
1
PRIMER 16
4
3
3
4
CABLE TYPE AND LENGTH AS SPECIFIED
4
IN THE CONTRACT OR ORDER
1
HIGH LETTERS (MIN)
16
MOLD IN PLACE
1
3
1
4
2
2
3
THREE CONDUCTOR PLUG
FOUR CONDUCTOR PLUG
1
2
ASSEMBLY M24231/30-001
ASSEMBLY M24231/30-002
FIGURE 1. Connector, plug, glass reinforced polymer, molded, three- and four-conductor.
2
For Parts Inquires submit RFQ to Parts Hangar, Inc.
© Copyright 2015 Integrated Publishing, Inc.
A Service Disabled Veteran Owned Small Business