
MIL-DTL-24231/30A(SH)
32
-B-
40°
2.575
0.145
1.327
1.088
Ø0.180
(0.937)
0.732
0.045
(MFR. FSCM)
0.232
0.510
DETAIL "A"
0.090
0.300
32
0.125
15°
0.030 X 45°
32
Ø1.570
Ø0.002 M A M
Ø0.156
+0.005
Ø1.030 -0.005
3 X 0.046R
45°
Ø0.005 M A M
+0.002
0.092
5
Ø1.311-0.002
0.060R
2 X 0.064
63
Ø0.710
Ø0.002 M A M
7
Ø0.005 M A M
SEE DET "A"
0.030 X 45°
Ø1.090
(Ø0.874)
Ø0.005 M A M
-A-
Ø0.702
Ø0.005 M A M
A
A
(0.046R)
(0.046R)
(0.046)
(0.046)
0.077
3
1
1
4
+0.004
+0.004
Ø0.919 -0.004
Ø0.919 -0.004
2
2
3
0.156
M24231/30-010
Ø0.002 M A M B
M24231/30-015
0.219
0.136
Ø0.002 M A M B
0.136
Ø0.002 M A M B
0.219
A
A
Ø0.002 M A M B
Ø0.005 M A M B
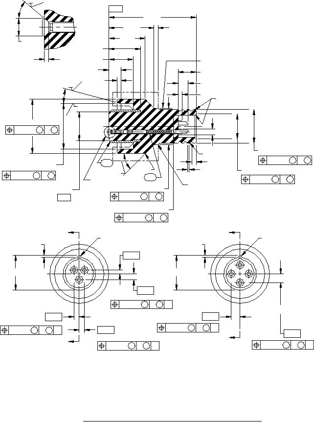
FIGURE 2. Plug, body assembly M24231/30-010 and M24231/30-015.
3
For Parts Inquires submit RFQ to Parts Hangar, Inc.
© Copyright 2015 Integrated Publishing, Inc.
A Service Disabled Veteran Owned Small Business