
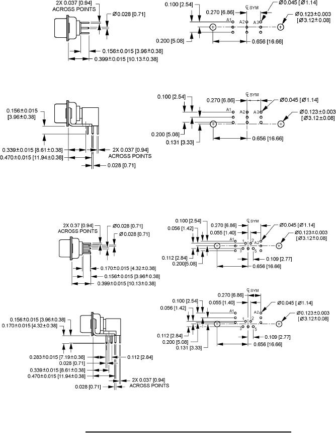
MIL-DTL-24308/31
M24308/31-013, -014
M24308/31-113, -114
M24308/31-015, -016
M24308/31-115, -116
3W3 AND 3WK3
M24308/31-213, -214
M24308/31-215, -216
7W2
FIGURE 4. Termination and layout arrangements for shielded connectors.
6
For Parts Inquires submit RFQ to Parts Hangar, Inc.
© Copyright 2015 Integrated Publishing, Inc.
A Service Disabled Veteran Owned Small Business