
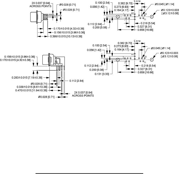
MIL-DTL-24308/31
M24308/31-313, -314
M24308/31-315, -316
11W1
NOTES:
1. Dimensions are in inches.
2. Metric equivalents are given for information only.
3. Unless otherwise specified, tolerance for three place decimals is ±.005 inch (0.13 mm).
FIGURE 4. Termination and layout arrangements for shielded connectors - Continued.
7
For Parts Inquires submit RFQ to Parts Hangar, Inc.
© Copyright 2015 Integrated Publishing, Inc.
A Service Disabled Veteran Owned Small Business