
MIL-DTL-24308/32
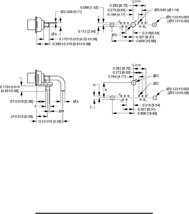
M24308/30-301, -302, -307, -308
M24308/30-303, -304, -305, -306, -309, -310, -311, -312
11W1
FIGURE 3. Termination and layout arrangements for power connectors - Continued
4
For Parts Inquires submit RFQ to Parts Hangar, Inc.
© Copyright 2015 Integrated Publishing, Inc.
A Service Disabled Veteran Owned Small Business