
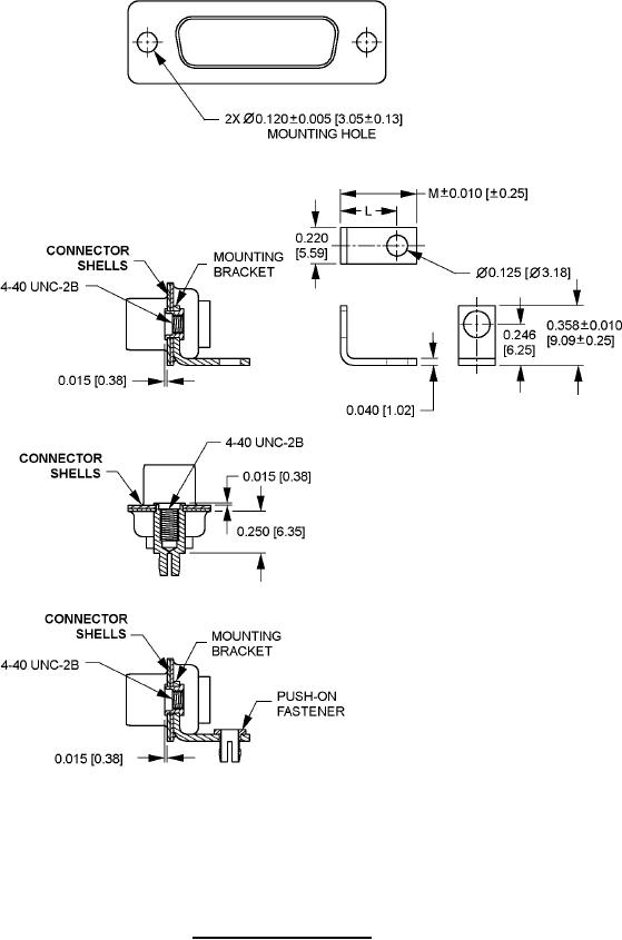
MIL-DTL-24308/32
Configuration A:
Ø .120 (3.05 mm)
mounting hole, straight
termination connectors
Configuration B and C:
Mounting bracket and
threaded rivet, right angle
termination connectors
Configuration D:
Swaged spacer with
push on fastener, Straight
termination connectors
Configuration E and F:
Mounting bracket and threaded rivet
with push on fastener, right angle
termination connectors
FIGURE 5. Mounting configurations.
8
For Parts Inquires submit RFQ to Parts Hangar, Inc.
© Copyright 2015 Integrated Publishing, Inc.
A Service Disabled Veteran Owned Small Business