
MIL-DTL-24308G
APPENDIX A
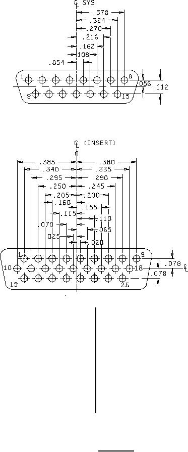
ARRANGEMENT 1
15 size 20 contacts.
ARRANGEMENT 2
26 size 22D contacts.
Inches
mm
Inches
mm
.020
0.51
.200
5.08
.025
0.64
.205
5.21
.054
1.37
.216
5.49
.056
1.42
.245
6.22
.065
1.65
.250
6.35
.070
1.78
.270
6.86
.078
1.98
.290
7.37
.108
2.74
.295
7.49
.110
2.79
.324
8.23
.112
2.84
.335
8.51
.115
2.92
.340
8.64
.155
3.94
.378
9.60
.160
4.06
.380
9.65
.162
4.11
.385
9.78
NOTES:
1. Dimensions are in inches.
2. Metric equivalents are given for information only.
FIGURE A-2. Shell size 2.
30
For Parts Inquires submit RFQ to Parts Hangar, Inc.
© Copyright 2015 Integrated Publishing, Inc.
A Service Disabled Veteran Owned Small Business