
INCH-POUND
MIL-DTL-2726/1C
14 February 2006
SUPERSEDING
MIL-R-2726/1B(SH)
3 July 1986
DETAIL SPECIFICATION SHEET
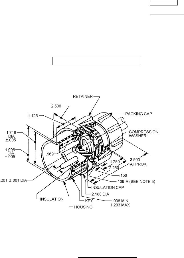
RECEPTACLE, PLUG, ELECTRICAL, 2 - PIN, 40 - AMPERE,
125 - VOLT, DIRECT CURRENT (SYMBOL NO. 715.1)
Inactive for new design after 28 June 1999.
This specification is approved for use by all Departments and Agencies of the Department of Defense.
The requirements for acquiring the product described herein shall consist of this specification sheet
and MIL-DTL-2726.
SH 9069
NOTES:
1. Dimensions are in inches.
2. Metric equivalents are given for information only.
3. Unless otherwise specified, tolerances are ± .016 (0.41mm) and ± .5° on angles.
4. Supersedes: Drawing 9000-S6202-73882, pc 28, symbol 715.
5. See detail "A" on MIL-DTL-2726/13.
FIGURE 1. Dimensions and configurations.
AMSC N/A
FSC 5935