
MIL-DTL-2726/1C
Inches
mm
Inches
mm
1.125
0.02
28.57
.001
1.203
0.13
30.56
.005
1.250
1.57
.062
31.75
1.718
2.77
.109
43.64
1.906
3.96
.156
48.41
5.10
2.188
.201
55.58
10.31
2.250
.406
57.15
11.12
2.500
.438
63.50
23.82
.938
3.500
88.90
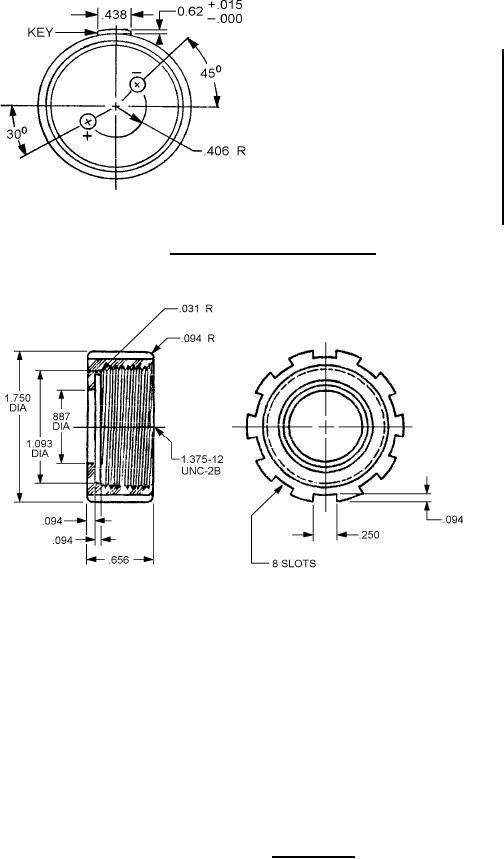
FIGURE 1. Dimensions and configurations - Continued.
Inches
mm
.031
0.79
.094
2.39
.250
6.35
.656
16.66
.887
22.53
1.093
27.76
1.357
34.92
1.750
44.45
SH 9069
NOTES:
1. Dimensions are in inches.
2. Metric equivalents are given for information only.
3. Unless otherwise specified, tolerances are ± .010 (0.25mm) per linear inch, whichever is
greater.
4. Angular dimensions are ± 0°30'.
5. Threads as specified in FED-STD-H28/2.
6. Tube size 4T.
7. Marking: Part or Identifying Number (PIN), tube size and manufacturer's logo or name in .125
inch high raised letters on face of cup (see ASTM-F1836M).
FIGURE 2. Packing cap.
2