
INCH-POUND
MIL-DTL-2726/11C
01 September 2006
SUPERSEDING
MIL-R-2726/11B(SH)
3 July 1986
DETAIL SPECIPICATION SHEET
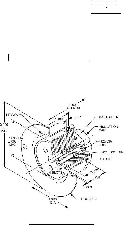
RECEPTACLE, ELECTRICAL, 3 - PIN GROUNDED, 40 - AMPERE, 450 - VOLT,
ALTERNATING CURRENT (SYMBOL NOS. 1141.1 AND 1141.2)
Inactive for new design after 28 June 1999.
This specification is approved for use by all Departments
and Agencies of the Department of Defense.
The requirements for acquiring the product described herein shall consist of this
specification sheet and MIL-DTL-2726.
Symbol no. 1141.1
FIGURE 1. Receptacle (metal housing and shell).
AMSC N/A
FSC 5935
For Parts Inquires submit RFQ to Parts Hangar, Inc.
© Copyright 2015 Integrated Publishing, Inc.
A Service Disabled Veteran Owned Small Business