emilspec
An Integrated Publishing, Inc. Site
eMilSpec
An Integrated Publishing Website
MIL-DTL-2726-16 Receptacle, Electrical, Enclosed, 4 - Pin Grounded, 40 - Ampere, 450 - Volt, Alternating Current \(Symbol Nos. 1147.1, 1147.2 And 1147.3\)
Pages
1
-
2
-
3
-
4
-
5
-
6
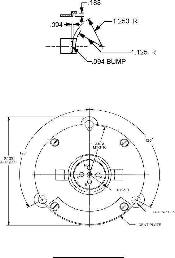
MIL-DTL-2726/16B
FIGURE
1. Receptacle (symbol 1147.1 shown) Continued.
2