
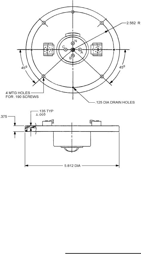
MIL-DTL-2726/16B
Inches
mm
3.17
.125
3.43
.135
4.77
.188
.190
4.83
.375
9.52
2.562
66.67
5.812
147.62
NOTES:
1. Dimensions are in inches.
2. Metric equivalents are given for information only.
3. Unless otherwise specified, tolerances are ± .016 (0.41mm) and ± .5° on angles.
4. Optional molded plastic receptacle.
FIGURE 2. Cover and receptacle integral (plastic).
4