
MIL-DTL-2726/2C
Inches
mm
inches
mm
.001
0.02
.969
24.61
0.13
.005
1.094
27.79
.016
0.41
28.57
1.125
.062
1.57
30.56
1.203
.109
2.77
31.75
1.250
.156
3.96
43.64
1.718
.201
5.10
48.41
1.906
.218
5.54
58.72
2.312
.406
10.31
57.15
2.250
.438
11.12
63.50
2.500
.562
14.27
88.90
3.500
.938
23.82
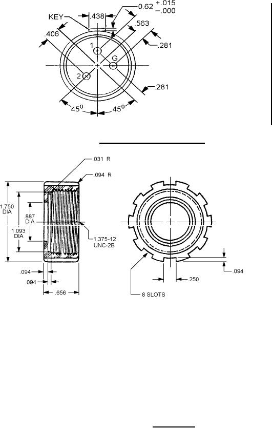
FIGURE 1. Dimensions and configurations - Continued.
Inches
mm
0.79
.031
2.39
.094
6.35
.250
.656
16.66
.887
22.53
1.093
27.76
1.357
34.92
1.750
44.45
SH 12723
NOTES:
1. Dimensions are in inches.
2. Metric equivalents are given for information only.
3. Unless otherwise specified, tolerances are ± .010 (0.25mm) per linear inch, whichever is greater.
4. Angular dimensions are ± 0°30'.
5. Threads as specified in FED-STD-H28/2.
6. Tube size 4T.
7. Marking: Part or Identifying Number (PIN), tube size and manufacturer's logo or name .125 inch
high raised letters on face of cup (see ASTM-F1836M).
FIGURE 2. Packing cap.
2