
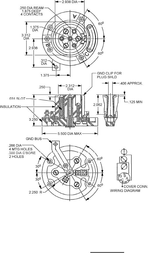
MIL-DTL-2726/27C
Inches
mm
.005
0.13
.031
0.79
.125
3.17
.250
6.35
.266
6.76
.312
7.92
9.52
.375
10.31
.406
14.27
.500
34.47
1.375
47.62
1.875
52.37
2.062
58.72
2.312
57.15
2.250
74.62
2.938
3.312
84.12
82.55
3.250
5.500
139.70
NOTES:
1. Dimensions are in inches.
2. Metric equivalents are given for information only.
3. Unless otherwise specified, tolerances are ± .016 (0.41mm) and ± .5° on angles.
4. PIN M2726/27-002.
FIGURE 2. Receptacle fitting.
3
For Parts Inquires submit RFQ to Parts Hangar, Inc.
© Copyright 2015 Integrated Publishing, Inc.
A Service Disabled Veteran Owned Small Business