
INCH-POUND
MIL-DTL-2726/3D
14 February 2006
SUPERSEDING
MIL-R-2726/3C(SH)
3 July 1986
DETAIL SPECIFICATION SHEET
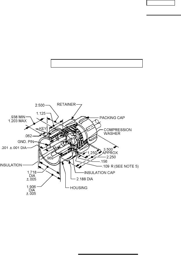
RECEPTACLE, PLUG, ELECTRICAL, 4-PIN GROUNDED, 40-AMPERE,
450-VOLT, ALTERNATING CURRENT, 60-HERTZ (SYMBOL NO. 717.1)
Inactive for new design after 28 June 1999.
This specification is approved for use by all
Departments and Agencies of the Department of Defense.
The requirements for acquiring the product described herein shall consist of this
specification sheet and MIL-DTL-2726.
Inches
mm
0.02
.001
0.13
.005
0.41
.016
1.57
.062
2.77
.109
3.58
.141
3.96
.156
5.10
.201
7.14
.281
11.12
.438
23.82
.938
24.61
.969
27.57
1.125
30.56
1.203
31.75
1.250
55.58
2.188
57.15
2.250
63.50
2.500
88.90
3.500
SH 9073
NOTES:
1. Dimensions are in inches.
2. Metric equivalents are given for information only.
3. Unless otherwise specified, tolerances are ± .016 (0.41 mm) and ± .5° on angles.
4. Supersedes: Drawing 9000-S6202-73882, pc. 30, symbol 717.
5. See detail "A" on MIL-DTL-2726/13.
FIGURE 1. Dimensions and configurations.
AMSC N/A
FSC 5935
For Parts Inquires submit RFQ to Parts Hangar, Inc.
© Copyright 2015 Integrated Publishing, Inc.
A Service Disabled Veteran Owned Small Business