
MIL-DTL-2726/3D
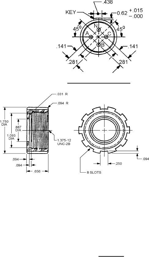
FIGURE 1. Dimensions and configurations - Continued.
Inches
mm
.031
0.79
2.39
.094
6.35
.250
16.66
.656
.887
22.53
1.093
27.76
34.92
1.357
1.750
44.45
SH 9073
NOTES:
1. Dimensions are in inches.
2. Metric equivalents are given for information only.
3. Unless otherwise specified, tolerances are ± .010 (0.25mm) per linear inch, whichever is
greater.
4. Angular dimensions are ± 0°30'.
5. Threads as specified in FED-STD-H28/2.
6. Tube size 4T.
7. Marking: Part or Identifying Number (PIN), tube size and manufacturer's logo or name in .125
inch high raised letters on face of cup (see ASTM-F1836M).
FIGURE 2. Packing cap.
2
For Parts Inquires submit RFQ to Parts Hangar, Inc.
© Copyright 2015 Integrated Publishing, Inc.
A Service Disabled Veteran Owned Small Business