
INCH-POUND
MIL-DTL-2726/37G
20 September 2008
SUPERSEDING
MIL-DTL-2726/37F
1 November 2006
DETAIL SPECIFICATION SHEET
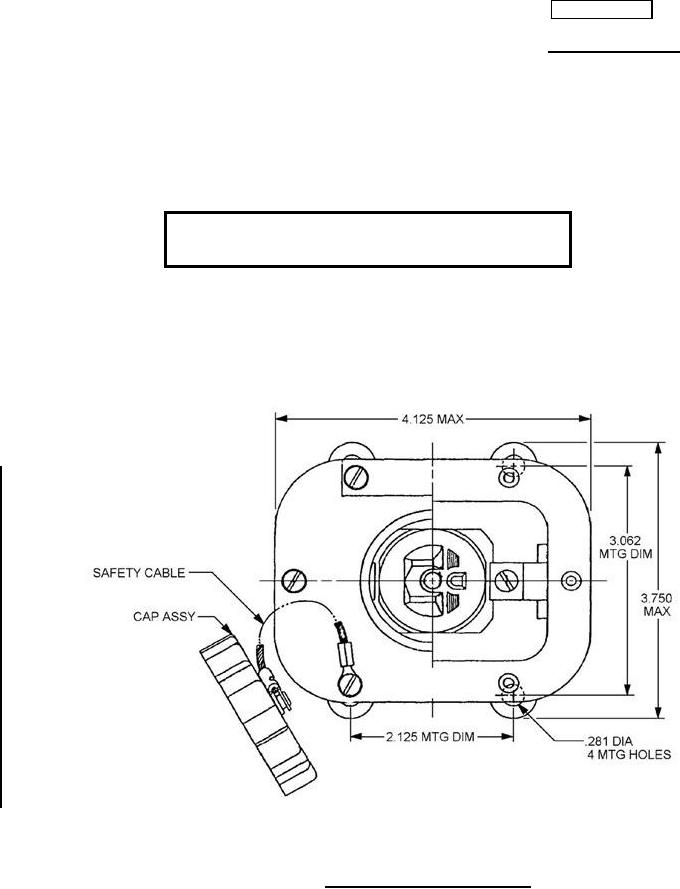
RECEPTACLE, ELECTRICAL, 15 - AMPERE, 125 - VOLT, 60 HERTZ,
BLADED TYPE, GROUNDED (SYMBOL NO. 1099.1)
Reactivated after 20 June 2004 and may be used for new
and existing designs and acquisitions.
This specification is approved for use by all
Departments and Agencies of the Department of Defense.
The requirements for acquiring the product described herein shall consist of this
specification sheet and MIL-DTL-2726.
FIGURE 1. Dimensions and configurations.
AMSC N/A
FSC 5935