
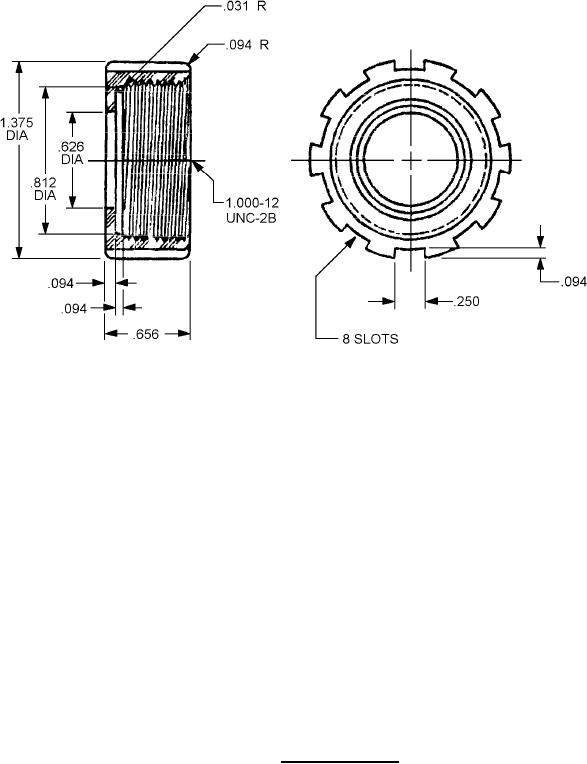
MIL-DTL-2726/38D
Inches
mm
.031
0.79
.094
2.39
.250
6.35
.656
16.66
.812
20.62
1.000
25.40
1.357
34.92
NOTES
1. Dimensions are in inches.
2. Metric equivalents are given for information only.
3. Unless otherwise specified, tolerances are ± .010 (0.25 mm) per linear inch, whichever is greater.
4. Angular dimensions are ± 0°30'.
5. Tube size 6.
FIGURE 6. Stuffing tube, cap.
6