
INCH-POUND
MIL-DTL-2726/43B
13 May 2005
SUPERSEDING
MIL-R-2726/43A(SH)
3 July 1986
DETAIL SPECIFICATION SHEET
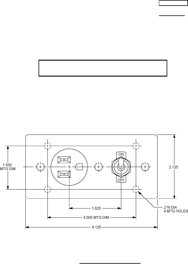
RECEPTACLE, ELECTRICAL, (BLADED) 15-AMPERE WITH
3-AMPERE SWITCH, TYPE DPST, 125-VOLT, GROUNDED,
TOTALLY ENCLOSED (SYMBOL 918.1)
Reactivated after 13 May 2005 and may be used for
new and existing designs and acquisitions.
This specification is approved for use by all Departments
and Agencies of the Department of Defense.
The requirements for acquiring the product described herein shall
consist of this specification sheet and MIL-DTL-2726.
SH9122
FIGURE 1. Dimensions and configurations.
AMSC N/A
FSC 5935