
INCH-POUND
MIL-DTL-2726/5C
13 May 2005
SUPERSEDING
MIL-R-2726/5B(SH)
3 July 1986
DETAIL SPECIFICATION SHEET
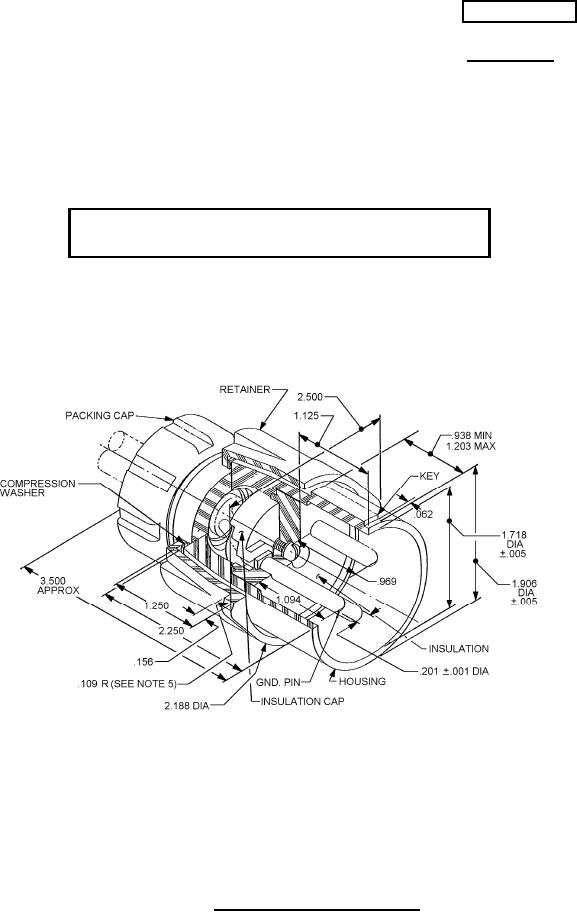
RECEPTACLE, PLUG, ELECTRICAL, 3-PIN GROUNDED, 40 - AMPERE,
450 - VOLT, ALTERNATING CURRENT (SYMBOL NO. 1140.1)
Reactivated after 13 May 2005 and may be used for
new and existing designs and acquisitions.
This specification is approved for use by all Departments
and Agencies of the Department of Defense.
The requirements for acquiring the product described herein shall
consist of this specification sheet and MIL-DTL-2726.
SH 9075A
NOTES:
1. Dimensions are in inches.
2. Metric equivalents are given for information only.
3. Unless otherwise specified, tolerances are ± .016 (0.41mm) and ± .5° on angles.
4. Supersedes: Drawing 9000-6202-73882, pc. 55, symbol 1140.
5. See Detail "A" on MIL-DTL-2726/13.
FIGURE 1. Dimensions and configurations.
AMSC N/A
FSC 5935