
MIL-DTL-2726/5C
Inches
mm
Inches
mm
.969
24.61
0.02
.001
1.094
27.79
0.13
.005
1.125
0.41
28.57
.016
1.203
1.57
30.56
.062
1.250
2.77
31.75
.109
1.718
3.96
43.64
.156
1.906
48.41
5.10
.201
2.188
7.14
55.57
.281
2.250
10.31
57.15
.406
2.500
11.12
62.50
.438
14.27
3.500
88.90
.562
23.82
.938
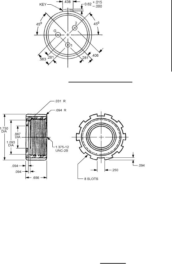
FIGURE 1. Dimensions and configurations - Continued.
Inches
mm
0.79
.031
2.39
.094
6.35
.250
16.66
.656
22.53
.887
1.093
27.76
1.357
34.92
1.750
44.45
SH 12723
NOTES:
1. Dimensions are in inches.
2. Metric equivalents are given for information only.
3. Unless otherwise specified, tolerances are ± .010 (0.25mm) per linear inch, whichever is
greater.
4. Angular dimensions are ± 0°30'.
5. Threads as specified in FED-STD-H28/2.
6. Tube size 4T.
7. Marking: Military PIN tube size and manufacturer's logo or name in .125 inch high raised letters
on face of cup (see MIL-S-19622).
FIGURE 2. Packing cap.
2