
MIL-DTL-2726/56B
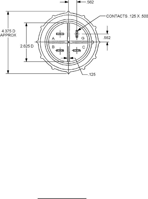
Inches
mm
.125
3.18
.250
6.35
.500
12.70
.562
14.27
1.875
47.63
2.625
66.68
3.125
79.38
4.375
111.13
7.750
196.85
NOTES:
1. Dimensions are in inches.
2. Metric equivalents are given for information only.
3. Unless otherwise specified, tolerances are ± .016 (0.41mm) and ± 0°30' on angles.
FIGURE 1. Dimensions and configurations - Continued.
2