
MIL-DTL-2726/56B
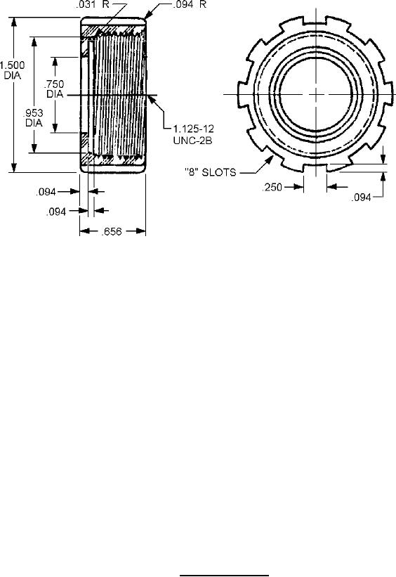
Cap: Shall be provided (see figure 2).
Inches
mm
.031
0.79
.094
2.39
16.66
.656
19.05
.750
24.21
.953
28.58
1.125
38.10
1.500
NOTES:
1. Dimensions are in inches.
2. Metric equivalents are given for information only.
3. Unless otherwise specified, tolerances are ± .010 (0.25mm) per linear inch, whichever is greater.
4. Angular dimensions are ± 0°30'.
5. Threads as specified in FED-STD-H28/2.
6. Marking Part or Identifying Number (PIN): M19622/10-0003 tube size and manufacturer's
logo or name in .125 inch high raised letters on face of cup (see MIL-S-19622).
FIGURE 2. Plug insulation cap.
4