
MIL-DTL-2726/6C
Inches
mm
Inches
mm
24.61
.969
0.02
.001
27.79
1.094
0.13
.005
28.57
1.125
0.41
.016
1.203
30.56
1.57
.062
43.64
1.718
2.77
.109
1.906
48.41
3.96
.156
2.125
53.97
5.10
.201
2.188
55.57
7.14
.406
2.500
63.50
11.12
.438
3.500
88.90
23.82
.938
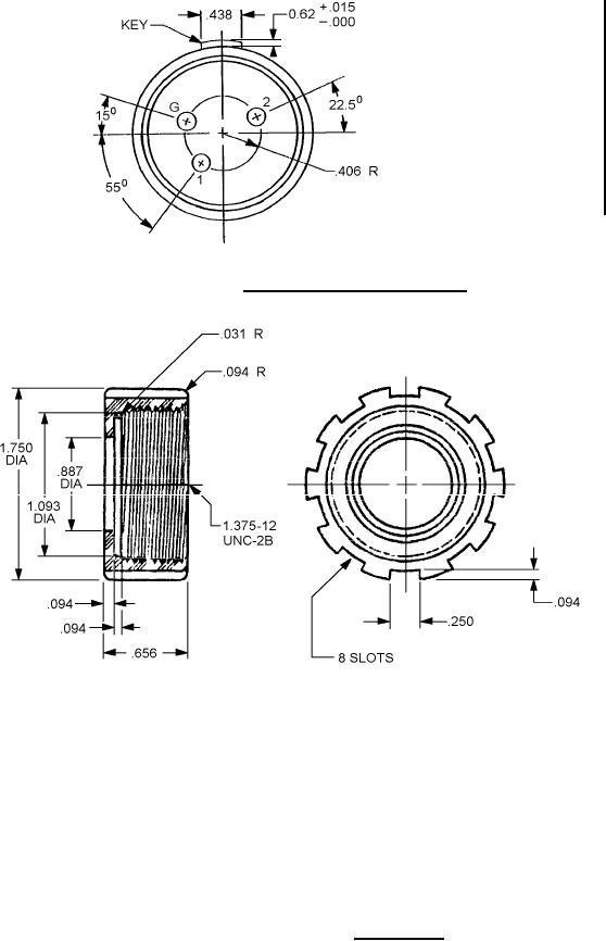
FIGURE 1. Dimensions and configurations - Continued.
Inches
mm
.031
0.79
.094
2.39
.250
6.35
.656
16.66
.887
22.53
1.093
27.76
1.357
34.92
1.750
44.45
NOTES:
1. Dimensions are in inches.
2. Metric equivalents are given for information only.
3. Unless otherwise specified, tolerances are ± .010 (0.25mm) per linear inch, whichever is
greater.
4. Angular dimensions are ± 0°30'.
5. Threads as specified in FED-STD-H28/2.
6. Tube size 4T.
7. Marking: Part or Identifying Number (PIN), tube size and manufacturer's logo or name in .125
inch high raised letters on face of cup (see ASTM-F1836M).
FIGURE 2. Packing cap.
2
For Parts Inquires submit RFQ to Parts Hangar, Inc.
© Copyright 2015 Integrated Publishing, Inc.
A Service Disabled Veteran Owned Small Business