
MIL-DTL-2726/7B
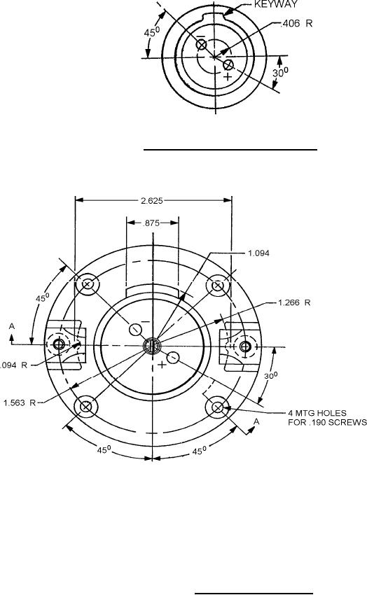
FIGURE 1. Receptacle (metal housing and shell) - Continued.
Inches
mm
.016
0.41
.078
1.98
.094
2.39
.125
3.17
.141
3.58
.188
4.77
.190
4.83
.375
9.52
.688
17.47
.875
22.22
1.094
27.79
1.109
28.17
1.266
32.16
1.562
39.67
1.691
42.95
1.695
43.05
1.927
48.95
1.947
49.45
2.625
66.67
3.625
90.07
SH 9078
NOTES:
1. Dimensions are in inches.
2. Metric equivalents are given for information only.
3. Unless otherwise specified, tolerances are ± .016 (0.41mm) and ± .5° on angles.
FIGURE 2. Receptacle (plastic) body.
2
For Parts Inquires submit RFQ to Parts Hangar, Inc.
© Copyright 2015 Integrated Publishing, Inc.
A Service Disabled Veteran Owned Small Business