
MIL-DTL-2726/8B
Inches
mm
0.02
.001
0.13
.005
0.41
.016
0.79
.031
1.57
.062
3.17
.125
5.16
.203
7.14
.281
10.31
.406
14.27
.562
19.05
.750
23.82
.938
1.109
28.17
1.693
43.00
1.938
49.22
2.000
50.80
NOTES:
3.000
76.20
1. Dimensions are in inches.
2. Metric equivalents are given for information only.
3. Unless otherwise specified, tolerances are ± .015 (0.38mm) and ± .5° on angles.
4. Supersedes: Drawing 9000-S6202-73882, pc 8, symbol 757.
5. Part or Identifying Number (PIN): M2726/8-001.
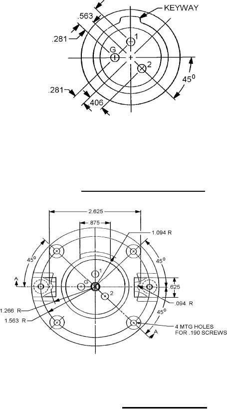
FIGURE 1. Receptacle (metal housing and shell) Continued.
Inches
mm
.005
0.13
.016
0.41
.078
1.98
.094
2.39
.125
3.17
.141
3.58
.188
4.77
.190
4.83
.375
9.52
.625
15.88
.688
17.47
.875
24.76
1.094
27.79
1.266
32.16
1.562
39.67
1.691
42.95
1.695
43.05
1.927
48.95
SH 9080 symbol no. 757.2
1.947
49.45
2.625
66.67
3.625
90.07
FIGURE 2. Receptacle (plastic body).
2