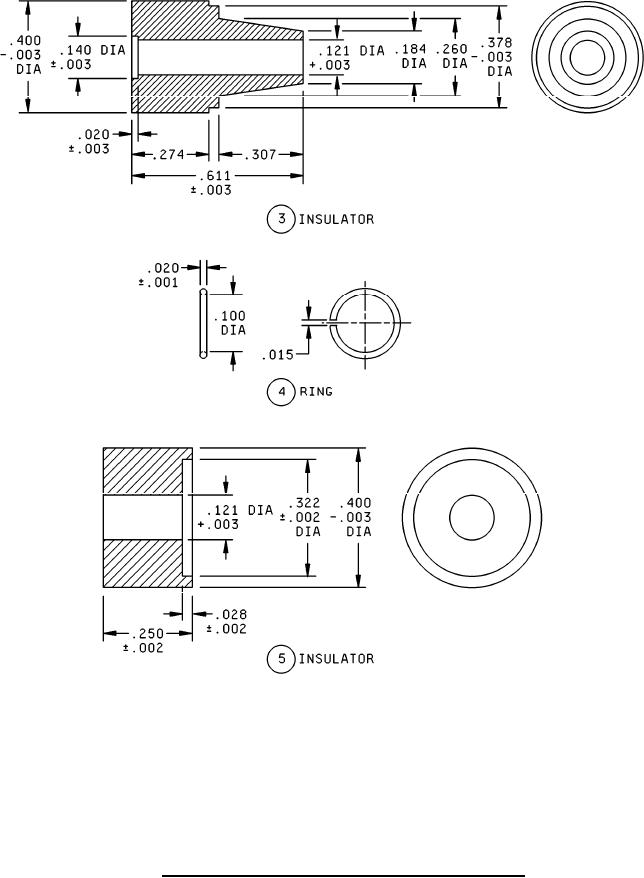
MIL-DTL-27434-5 Adapter, Connector, Coaxial, Radiofrequency, Between Series, Series C To Series Uhf Type Ug-637/U