
MIL-DTL-27434/5A
NOTES:
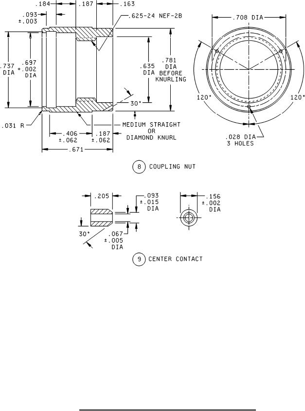
1. Dimensions are in inches.
2. Metric equivalents are given for information only.
FIGURE 2. Type UG 637/U connector adapter detail dimensions Continued.
5
For Parts Inquires submit RFQ to Parts Hangar, Inc.
© Copyright 2015 Integrated Publishing, Inc.
A Service Disabled Veteran Owned Small Business