emilspec
An Integrated Publishing, Inc. Site
eMilSpec
An Integrated Publishing Website
MIL-DTL-28731-24 Connector, Electrical, Rectangular Shield, For 120 Removable Contacts
Pages
1
-
2
-
3
-
4
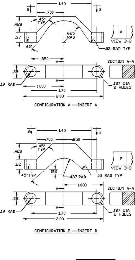
MIL-DTL-28731/24D
Inches
mm
.03
.8
.187
4.75
.19
4.8
.37
9.4
.38
9.7
.428
10.87
.625
15.87
.700
17.78
.850
21.59
1.000
25.40
1.40
35.6
1.70
43.2
2.00
50.8
FIGURE
1. Shield, rectangular Continued.
2