
MIL-DTL-28731/24D
Inserts
Typical cable size
Movable
field
"A"
"F"
MIL-DTL-24643
Cables
O.D.
Yes
/33
LS2SWU-24
1.590 max (40.39)
Yes
/27
LSAU40
1.380/1.325 (30.05/33.66)
Yes
Yes
/35
LS3SU14
1.290/1.200 (32.77/30.48)
Yes
Yes
/7
LSMH0F-44
1.000/ .925 (25.40/23.50)
Yes
Yes
/45
LS2U-45
.870/ .830 (22.10/21.08)
NOTES:
1. Dimensions are in inches.
2. Metric equivalents are given for general information only.
3. Tolerance shall be ± .005 (0.13 mm) unless otherwise specified. All dimensions are for parts after
plating.
4. Shield assembly (MIL-DTL-28731/24-0001 or -0002) can be used with connector assemblies
M28731/18-0111 and M28731/18-0114.
5. Shield assemblies are supplied with four .138-32, screws for mounting shield to insulator, and a rubber
grommet No. MS-35489-4 in accordance with NASM3036 for placement in clearance hole for actuating
hardware shaft. Complete unit to be packaged in accordance with MIL-STD-2073-1,
method 10.
6. Tolerances shall be ± .015 (0.38 mm) unless otherwise specified.
7. The Government has a royalty-free license under the following listed patents for the benefit of
manufacturers of the item either for the Government or for use in equipment to be delivered to the
Government. Patent notice: Patent No. 3,248,686 owned by Elco Corporation.
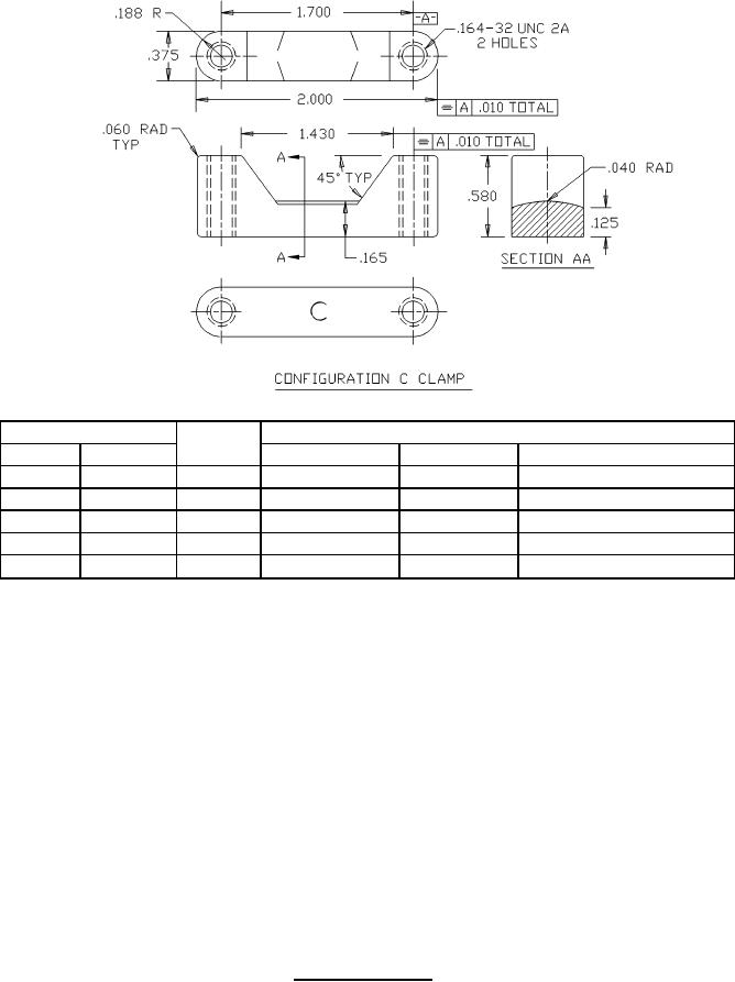
8. Unthreaded cable inserts are marked with letters "A" or "B"; a threaded movable clamp is marked with
the letter "C". All three items ("A", "B", "C") are supplied with the shield (unless otherwise specified).
9. For cables less than .750 inch (19.05 mm) O.D., use inverted clamp "C" as shown in view A-A.
FIGURE 1. Shield, rectangular Continued.
3