
INCH-POUND
MIL-DTL-28731/34C
15 March 2004
SUPERSEDING
MIL-C-28731/34B
4 June 1985
DETAIL SPECIFICATION SHEET
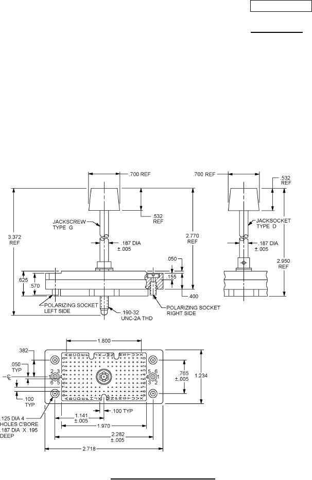
CONNECTOR, ELECTRICAL, INSERT (INSULATOR), FEMALE RECTANGULAR,
POLARIZED, CENTER SCREW LOCK, FOR 165 REMOVABLE TYPE CONTACTS
This specification is approved for use by all Departments
and Agencies of the Department of Defense.
The requirements for acquiring the product described herein shall consist of this specification sheet and
MIL-DTL-28731.
FIGURE 1. Connector, female rectangular.
AMSC N/A
FSC 5935
For Parts Inquires submit RFQ to Parts Hangar, Inc.
© Copyright 2015 Integrated Publishing, Inc.
A Service Disabled Veteran Owned Small Business