
MIL-DTL-28804D
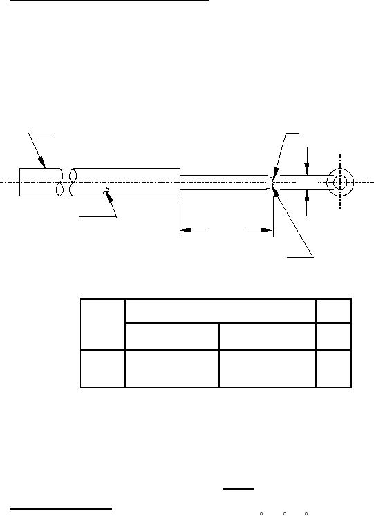
4.7.10 Contact engagement and separation force (see 3.6.9). Sockets shall be mounted in a suitable position or fixture for
applying gradually increasing loads for the engagement and separation of test pins from the sockets. Maximum and minimum test
pins shall be in accordance with figure 3. Insertion of test pins shall be to a depth of .140 inch (3.56 mm) minimum when measured
from the front of the socket contact. The test pin shall not bottom in the socket. This test shall be performed in the following
sequence:
a. Insert and separate a maximum diameter pin in and from each socket contact, then insert and remove a minimum
diameter pin in the same sockets. During separation of the minimum diameter test pin, the minimum separation force
shall conform to 3.6.9.
b. Insert and separate a maximum diameter pin in and from each socket contact three times. During the third cycle, the
engagement shall conform to 3.6.9.
HANDLE SHOWN TYPICAL
B
RECOMMENDED LENGTH 1.0000
MINIMUM DIAMETER TWICE "A" MAX
A
STAMP GAGE WITH
M28804-# or MS 3197-#
.500 MIN
RADII SHALL BE SMOOTHLY
BLENDED INTO PIN DIAMETER
Contact
A
B
size
(dash number)
Minimum diameter
Maximum diameter
Max
flat
(-22X1)
(-22Y1)
.007
0.0305 (0.77)
22
0.0295 (0.75)
(0.18)
+.0000
+.0001 (0.0025 mm)
-.0001 (0.0025 mm)
-.0000
NOTES:
1. Dimensions are in inches.
2. Metric equivalents are given for general information only.
3. Material: Gauge pin for contact size 22, tool steel or tungsten carbide.
4. Finish: 6 to 10 microinches root mean square determined in accordance with ANSI B46.1.
5. No plating.
6. These gauges are intended for use with electric connector socket contacts referenced in this document.
FIGURE 3. Test pin.
4.7.11 Thermal shock (see 3.6.10). Unmated connectors shall be tested in accordance with method 1003 of MIL-STD-1344.
Test condition letter shall be A1 except the minimum temperature shall be -55 C, +0 C, -3 C. Following the last cycle, the
connectors shall be returned to room temperature for inspection and further testing.
16
For Parts Inquires submit RFQ to Parts Hangar, Inc.
© Copyright 2015 Integrated Publishing, Inc.
A Service Disabled Veteran Owned Small Business