
MIL-DTL-28804D
.144 .005 DIA
CSK 90 5 X .215 .005 DIA
.266 .005
.020 R TYP
.005
.035 .005
.156 .005
A
.000
.010
.312 .005
B
25 3
6 PLS
D
.303 .005 DIA
C
Inches
mm
Inches
mm
.005
0.13
.156
3.96
.010
0.25
.215
5.46
.020
0.51
.266
6.76
.035
0.89
.303
7.70
.144
3.66
.312
7.92
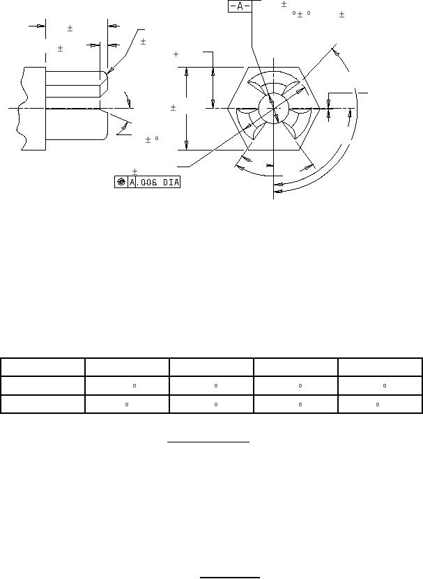
POLARIZATION
A+0 30"
B+0 30"
C+0 30"
D+0 30"
N, V, W
135
90
90
45
X, Y, Z
137 30"
90
85
42 30"
POLARIZATION KEY
NOTES:
1. Dimensions are in inches.
2. Metric equivalents are given for general information only.
3. To polarize connector, the boss is mounted in the insert with largest opening adjacent to the desired position
("N" polarization shown).
FIGURE 2. Polarization key.
6
For Parts Inquires submit RFQ to Parts Hangar, Inc.
© Copyright 2015 Integrated Publishing, Inc.
A Service Disabled Veteran Owned Small Business